Конвейеры и транспортирующее оборудование
При проведении комплексной механизации технологического процесса работу конвейеров, подающих груз непрерывно, необходимо согласовать с работой машин периодического действия. В этом случае для накапливания груза, подаваемого конвейером, используют бункера (сосуды различной формы). Вместимость бункеров выбирают такой, чтобы можно было компенсировать неравномерность в подаче и расходе груза. Конструктивно бункер представляет комбинацию двух геометрических тел: верхнего — призматического или цилиндрического и нижнего — суживающегося книзу к выпускному отверстию в виде конуса или пирамиды. Бункера изготовляют из листовой стали, дерева, бетона. Форма их стенок и размеры отверстия истечения должны обеспечить бесперебойную разгрузку, не допуская создания сводообразования груза в бункере. Иногда в бункерах для улучшения истечения материала применяют специальные шуровочные устройства или вибраторы.
|
|
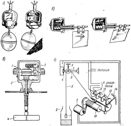
Рис. 1. Указатели уровня материала в бункере: а — шарнирно-шарикового типа; б — шарнирно-лопастного типа;
в — лопастного типа; г —с грузовым щупом
Уровень груза в бункере определяют с помощью указателя уровня, оборудованного дистанционной системой передачи показаний. Широкое распространение получили указатели поворотного типа (рис. 1, а, б), состоящие из шарика или лопасти, соединенных с конечным выключателем, установленным в корпусе. При заполнении бункера груз отклоняет шарик или лопасть от вертикального положения, что приводит к размыканию контакта-выключателя и включению светового или звукового сигнала. Другой тип указателя уровня приведен на рис. 1, е. Он состоит из маломощного, с низкой частотой вращения двигателя 1, соединенного с валом, на конце которого укреплены лопасти 4. Когда уровень груза в бункере поднимается до вращающейся лопасти, то двигатель останавливается, что вызывает срабатывание микровыключателя 2, управляющего сигнальным устройством. Вся электроаппаратура размещена в герметическом корпусе 3, что позволяет использовать указатель и для работы со взрывоопасными грузами. Приведенные конструкции указателей дают сигнал только при полном заполнении бункера, но не дают сведений о том, какое количество груза находится в бункере. Конструкция указателя (рис. 1, г), предназначенная для непрерывной регистрации уровня груза в бункере, состоит из щупа 1, подвешенного к концу каната 3 и опущенного в бункер 2. Канат 3 проходит через блок 7, укрепленный на рычаге 6, удерживаемом пружиной 8, и наматывается на барабан 10, вращаемый от электродвигателя 9. Вал барабана соединен зубчатыми передачами с валом управления 13, на котором укреплены стрелка 14 указателя уровня, кулачки 12, связанные с электроконтактами, определяющими крайние положения щупа, и потенциометр 11, обеспечивающий дистанционную передачу сигналов. Если щуп не соприкасается с грузом, то под действием своего веса он перемещает рычаг 6, замыкая контакты 4. Это приводит к включению двигателя 9 и опусканию щупа на груз; после этого под действием пружины 8 рычаг 6 размыкает контакты 4 и двигатель 9 останавливается. При ослаблении каната 3, когда щуп 1 ложится на груз, рычаг 6 замыкает контакт 5 и двигатель включается на подъем щупа. Таким образом, щуп все время находится около поверхности груза в бункере, что позволяет держать под постоянным контролем уровень груза. Для открывания и закрывания выпускных отверстий бункеров и регулирования скорости истечения груза из них применяют бункерные затворы различного типа с ручным или механическим приводом. В плоских затворах (рис.2, а, б) отверстие бункера перекрывают плоской задвижкой, что иногда приводит к защемлению кусков груза при закрывании и требует значительной силы для передвижения задвижки. В лотковых (клапанных) затворах (рис. 2, в, г) отверстие истечения перекрывают клапаном, шарнирно укрепленным под отверстием бункера. Эти затворы не защемляют грузов, но имеют весьма большие габариты по высоте. Секторные затворы (рис. 2, г, д) по сравнению с плоскими затворами требуют значительно меньшей силы для открывания и закрывания отверстия.
|
|
Рис. 2. Бункерные затворы
Конструктивной разновидностью секторного затвора является рычажный затвор (рис. 2, е), состоящий из тяжелых рычагов, каждый из которых подвешен на цепи. При опускании цепи заостренные рычаги проникают в толщу груза и перекрывают отверстие. Для равномерной и непрерывной подачи груза из бункера на транспортное устройство применяют питатели. Очень часто они представляют собой короткий ленточный (рис. 3, а), пластинчатый (рис. 3, б) или винтовой, шнековый конвейер (рис. 3, в) . В ряде случаев используются вибрационные лотковые питатели (рис. 3, г), состоящие из лотка 1 с вибратором 2, подвешенным на пружинах под отверстием бункера. Регулировкой винтовых стяжек можно установить необходимый угол наклона лотка, соответствующий необходимой производительности при данном виде груза. Находят применение плунжерные питатели (рис. 3, д) с плунжером 1, имеющим возвратно-поступательное движение, и питатели качающиеся (рис. 3, е), осуществляющие подачу груза возвратно-поступательным движением лотка 1, а также дисковые (рис. 3, ж) и барабанные или лопастные (рис. 3, з) питатели, осуществляющие подачу груза вращающимся рабочим элементом, выполненным в виде диска со скребком 1 или барабана с лопастями. Шнековые питатели обеспечивают непрерывную и точную загрузку, разгрузку и выгрузку различных сухих сыпучих материалов для весовых дозаторов и в системах работающих под давлением или под разряжением.
|
|
Рис. 3. Питатели
<< Особенности производства пенобетона, проблемы и решения | Подъёмники в строительстве и промышленности, виды и область применения >>
| На главную | Архив: информация, материалы |



